Jiangsu Mechanical and Electrical Products Bearing Co., Ltd.

江苏省机电产品轴承有限公司

Jiangsu Mechanical and Electrical Products Bearing Co., Ltd.

江苏省机电产品轴承有限公司

ENG

中国人

Jiangsu Mechanical and Electrical Products Bearing Co., Ltd.

江苏省机电产品轴承有限公司

Model
Inner Diameter
Outer Diameter
Width

Catalogue

Catalogue

Spherical bearing

Self-lubricating radial spherical plain bearing / GE...ET-2RS series

Next
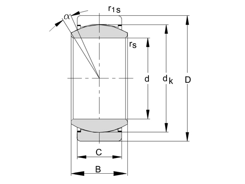
型号 主要尺寸(mm)
d D B C
GE15ET-2RS  15 26 12 9
GE17ET-2RS 17 30 14 10
GE20ET-2RS 20 35 16 12
GE25ET-2RS 25 42 20 16
GE30ET-2RS 30 47 22 18
GE35ET-2RS 35 55 25 20
GE40ET-2RS 40 62 28 22
GE45ET-2RS 45 68 32 25
GE50ET-2RS 50 75 35 28
GE55ET-2RS 55 85 40 32
GE60ET-2RS 60 90 44 36
GE70ET-2RS 70 105 49 40

page

1

Inquire Now