Jiangsu Mechanical and Electrical Products Bearing Co., Ltd.

江苏省机电产品轴承有限公司

Jiangsu Mechanical and Electrical Products Bearing Co., Ltd.

江苏省机电产品轴承有限公司

ENG

中国人

Jiangsu Mechanical and Electrical Products Bearing Co., Ltd.

江苏省机电产品轴承有限公司

Model
Inner Diameter
Outer Diameter
Width

Catalogue

Catalogue

Tapered Roller Bearings

Single row metric tapered roller bearings / 331 Series

Next
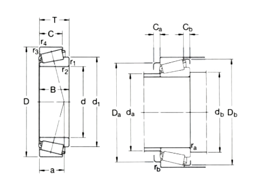
型号 尺寸(mm) 基本额定载荷(KN)
d1 D B dyc(Cr)
33108/Q 40 75 26 91.5
33109/Q 45 80 26 96.5
33110/Q 50 85 26 100
33111/Q 55 95 30 110
33112/Q 60 100 30 134
33113/Q 65 110 34 142
33114/Q 70 120 37 172
33115/Q 75 125 37 176
33116/Q 80 130 37 179
33116TN9/Q 80 130 37 179
33117/Q 85 140 41 220
33118/Q 90 150 45 251

page

1

Inquire Now