don't remove it
Catalogue
-
68/Z,ZZ,RS,2RS series
-
69/Z,ZZ,RS,2RS series
-
62/Z,ZZ,RS,2RS,2RD,2RK series
-
60/Z,ZZ,RS,2RS,2RD,2RK series
-
63/Z,ZZ,RS,2RS,2RD,2RK series
Catalogue
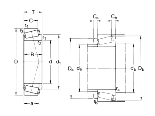
Tapered Roller Bearings
Single row metric tapered roller bearings / 320 series
Next
| 型号 |
尺寸(mm) |
基本额定载荷(KN) |
| d1 |
D |
B |
dyc(Cr) |
| 32004X/Q |
20 |
42 |
15 |
28 |
320/22X |
22 |
44 |
15 |
25.1 |
| 32005X/Q |
25 |
47 |
15 |
31 |
320/28X/Q |
28 |
52 |
16 |
36.5 |
| 32006X/Q |
30 |
55 |
17 |
40.5 |
320/32X/Q |
32 |
58 |
17 |
42.5 |
| 32008/38X/Q |
38 |
68 |
19 |
60 |
32008X/Q |
40 |
68 |
19 |
60 |
| 32008XTN9/Q |
40 |
68 |
19 |
60 |
33209/Q |
45 |
85 |
32 |
108 |
| 32010X/Q |
50 |
80 |
20 |
69.5 |
32010X/QCL7CVB026 |
50 |
80 |
20 |
69.5 |
| 型号 |
尺寸(mm) |
基本额定载荷(KN) |
| d1 |
D |
B |
dyc(Cr) |
| 32012X/QCL7C |
60 |
95 |
23 |
95 |
32014X/Q |
70 |
110 |
25 |
116 |
| 32015X/Q |
75 |
115 |
25 |
122 |
32016X/Q |
80 |
125 |
29 |
138 |
| 32018X/Q |
90 |
140 |
32 |
168 |
32019X/Q |
95 |
145 |
32 |
168 |
| 32021X/Q |
105 |
160 |
35 |
201 |
32022X/Q |
110 |
170 |
38 |
233 |
| 32021X/Q |
105 |
160 |
35 |
201 |
32022X/Q |
110 |
170 |
38 |
233 |
| 32024X |
120 |
180 |
38 |
242 |
32026X |
130 |
200 |
45 |
314 |
| 型号 |
尺寸(mm) |
基本额定载荷(KN) |
| d1 |
D |
B |
dyc(Cr) |
| 32028X |
140 |
210 |
45 |
330 |
32030X |
150 |
225 |
48 |
369 |
| 32032X |
160 |
240 |
51 |
429 |
32034X |
170 |
260 |
57 |
512 |
| 32036X |
180 |
280 |
64 |
644 |
32038X |
190 |
290 |
64 |
660 |
| 32040X |
200 |
310 |
70 |
748 |
32044X |
220 |
340 |
76 |
897 |
| 32048X |
240 |
360 |
76 |
935 |
32052X |
260 |
400 |
87 |
1170 |
| 32056X |
280 |
420 |
87 |
1210 |
32060X |
300 |
460 |
100 |
1540 |
Inquire Now