Jiangsu Mechanical and Electrical Products Bearing Co., Ltd.

江苏省机电产品轴承有限公司

Jiangsu Mechanical and Electrical Products Bearing Co., Ltd.

江苏省机电产品轴承有限公司

ENG

中国人

Jiangsu Mechanical and Electrical Products Bearing Co., Ltd.

江苏省机电产品轴承有限公司

Model
Inner Diameter
Outer Diameter
Width

Catalogue

Catalogue

Slewing bearings

Slewing bearings / Three-row roller slewing bearing (13 series) - external gear type

Next
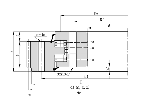
型号 外形尺寸(mm) 安装孔尺寸(mm)
D d H D1
131.25.500 634 366 148 598
132.25.500 634 366 148 598
131.25.560 694 426 148 658
132.25.560 694 426 148 658
131.25.630 764 496 148 728
132.25.630 764 496 148 728
131.25.710 844 576 148 808
132.25.710 844 576 148 808
131.32.800 964 636 182 920
132.32.800 964 636 182 920
131.32.900 1064 736 182 1020
132.32.900 1064 736 182 1020

page

1

2

3

Inquire Now