don't remove it
Catalogue
-
68/Z,ZZ,RS,2RS series
-
69/Z,ZZ,RS,2RS series
-
62/Z,ZZ,RS,2RS,2RD,2RK series
-
60/Z,ZZ,RS,2RS,2RD,2RK series
-
63/Z,ZZ,RS,2RS,2RD,2RK series
Catalogue
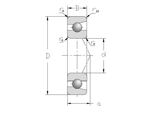
Angular contact ball bearings
single column / Single row 79 series
Next
| 型号 |
主要尺寸(mm) |
| d |
D |
B |
rs min |
| 7905 |
25 |
42 |
9 |
0.3 |
7906 |
30 |
47 |
9 |
0.3 |
| 7907 |
35 |
55 |
10 |
0.6 |
7908 |
40 |
62 |
12 |
0.6 |
| 7909 |
45 |
68 |
12 |
0.6 |
7910 |
50 |
72 |
12 |
0.6 |
| 7911 |
55 |
80 |
13 |
1 |
7912 |
60 |
85 |
13 |
1 |
| 7913 |
65 |
90 |
13 |
1 |
7914 |
70 |
100 |
16 |
1 |
| 7915 |
75 |
105 |
16 |
1 |
7916 |
80 |
110 |
16 |
1 |
| 型号 |
主要尺寸(mm) |
| d |
D |
B |
rs min |
| 7917 |
85 |
120 |
18 |
1.1 |
7918 |
90 |
125 |
18 |
1.1 |
| 7919 |
95 |
130 |
18 |
1.1 |
7920 |
100 |
140 |
20 |
1.1 |
| 7921 |
105 |
145 |
20 |
1.1 |
7922 |
110 |
150 |
20 |
1.1 |
| 7924 |
120 |
165 |
22 |
1.1 |
7926 |
130 |
180 |
24 |
1.5 |
| 7928 |
140 |
190 |
24 |
1.5 |
7930 |
150 |
210 |
28 |
2 |
| 7932 |
160 |
220 |
28 |
2 |
7934 |
170 |
230 |
28 |
2 |
Inquire Now