Jiangsu Mechanical and Electrical Products Bearing Co., Ltd.

江苏省机电产品轴承有限公司

Jiangsu Mechanical and Electrical Products Bearing Co., Ltd.

江苏省机电产品轴承有限公司

ENG

中国人

Jiangsu Mechanical and Electrical Products Bearing Co., Ltd.

江苏省机电产品轴承有限公司

Model
Inner Diameter
Outer Diameter
Width

Catalogue

Catalogue

Tapered Roller Bearings

Single row metric tapered roller bearings / 332 Series

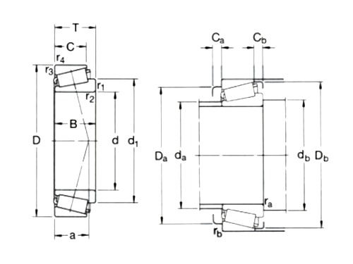
型号 尺寸(mm) 基本额定载荷(KN)
d1 D B dyc(Cr)
33205/Q 25 52 22 54
33206/Q 30 62 25 75
33208/QCL7C 40 80 32 120
33209/Q 45 85 32 108
33210/Q 50 90 32 114
33211/Q 55 100 35 138
33212/Q 60 110 38 168
33213/Q 65 120 41 194
33213TN9/Q 65 120 41 194
33214/Q 70 125 41 201
33215/Q 75 130 41 209
33216/Q 80 140 46 251

page

1

Inquire Now