Jiangsu Mechanical and Electrical Products Bearing Co., Ltd.

江苏省机电产品轴承有限公司

Jiangsu Mechanical and Electrical Products Bearing Co., Ltd.

江苏省机电产品轴承有限公司

ENG

中国人

Jiangsu Mechanical and Electrical Products Bearing Co., Ltd.

江苏省机电产品轴承有限公司

Model
Inner Diameter
Outer Diameter
Width

Catalogue

Catalogue

Slewing bearings

Slewing bearings / Double-row ball slewing bearing with different diameters (02 series) - external gear type

Next
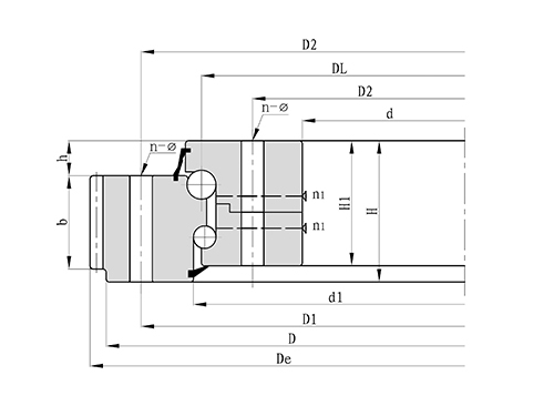
型号 外形尺寸 (mm) 安装孔尺寸(mm)
D d H D1
021.25.500 616 384 106 580
022.25.500 616 384 106 580
021.25.560 676 444 106 640
022.25.560 676 444 106 640
021.25.630 746 514 106 710
022.25.630 746 514 106 710
021.25.710 826 594 106 790
022.25.710 826 594 106 790
021.30.800 942 658 124 898
022.30.800 942 658 124 898
021.30.900 1042 758 124 998
022.30.900 1042 758 124 998

page

1

2

3

Inquire Now