Jiangsu Mechanical and Electrical Products Bearing Co., Ltd.

江苏省机电产品轴承有限公司

Jiangsu Mechanical and Electrical Products Bearing Co., Ltd.

江苏省机电产品轴承有限公司

ENG

中国人

Jiangsu Mechanical and Electrical Products Bearing Co., Ltd.

江苏省机电产品轴承有限公司

Model
Inner Diameter
Outer Diameter
Width

Catalogue

Catalogue

Slewing bearings

Slewing bearings / Double-row ball slewing bearing with different diameters (02 series) - toothless type

Next
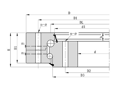
型号 外形尺寸(mm) 安装孔尺寸(mm)
D d H D1
020.25.500 616 384 106 580
020.25.560 676 444 106 640
020.25.630 746 514 106 710
020.25.710 826 594 106 790
020.30.800 942 658 124 898
020.30.900 1042 758 124 998
020.30.1000 1142 858 124 1098
020.30.1120 1262 978 124 1218
020.40.1250 1426 1074 160 1374
020.40.1400 1576 1224 160 1524
020.40.1600 1776 1424 160 1724
020.40.1800 1976 1624 160 1924

page

1

Inquire Now