don't remove it
Catalogue
-
68/Z,ZZ,RS,2RS series
-
69/Z,ZZ,RS,2RS series
-
62/Z,ZZ,RS,2RS,2RD,2RK series
-
60/Z,ZZ,RS,2RS,2RD,2RK series
-
63/Z,ZZ,RS,2RS,2RD,2RK series
Catalogue
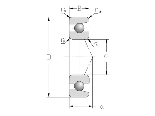
Angular contact ball bearings
single column / Single row 70 series
Next
| 型号 |
主要尺寸(mm) |
| d |
D |
B |
rs min |
| 7000 |
10 |
26 |
8 |
0.3 |
7001 |
12 |
28 |
8 |
0.3 |
| 7002 |
15 |
32 |
9 |
0.3 |
7003 |
17 |
35 |
10 |
0.3 |
| 7004 |
20 |
42 |
12 |
0.6 |
7005 |
25 |
47 |
12 |
0.6 |
| 7006 |
30 |
55 |
13 |
1 |
7007 |
35 |
62 |
14 |
1 |
| 7008 |
40 |
68 |
15 |
1 |
7009 |
45 |
75 |
16 |
1 |
| 7010 |
50 |
80 |
16 |
1 |
7011 |
55 |
90 |
18 |
1.1 |
| 型号 |
主要尺寸(mm) |
| d |
D |
B |
rs min |
| 7012 |
60 |
95 |
18 |
1.1 |
7013 |
65 |
100 |
18 |
1.1 |
| 7014 |
70 |
110 |
20 |
1.1 |
7015 |
75 |
115 |
20 |
1.1 |
| 7016 |
80 |
125 |
22 |
1.1 |
7017 |
85 |
130 |
22 |
1.1 |
| 7018 |
90 |
140 |
24 |
1.5 |
7019 |
95 |
145 |
24 |
1.5 |
| 7020 |
100 |
150 |
24 |
1.5 |
7021 |
105 |
160 |
26 |
2 |
| 7022 |
110 |
170 |
28 |
2 |
7024 |
120 |
180 |
28 |
2 |
Inquire Now