Jiangsu Mechanical and Electrical Products Bearing Co., Ltd.

江苏省机电产品轴承有限公司

Jiangsu Mechanical and Electrical Products Bearing Co., Ltd.

江苏省机电产品轴承有限公司

ENG

中国人

Jiangsu Mechanical and Electrical Products Bearing Co., Ltd.

江苏省机电产品轴承有限公司

Model
Inner Diameter
Outer Diameter
Width

Catalogue

Catalogue

Spherical roller bearing

Spherical roller bearing / 293 series

Next
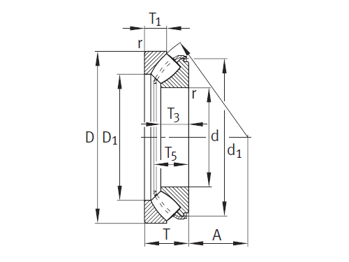
型号 主要尺寸(mm)
d D T rs min
29317 85 150 39 1.5
29318 90 155 39 1.5
29320 100 170 42 1.5
29322 110 190 48 2
29324 120 210 54 2.1
29326 130 225 58 2.1
29328 140 240 60 2.1
29330 150 250 60 2.1
29332 160 270 67 3
29334 170 280 67 3
29336 180 300 73 3
29338 190 320 78 4

page

1

Inquire Now