don't remove it
Catalogue
-
68/Z,ZZ,RS,2RS series
-
69/Z,ZZ,RS,2RS series
-
62/Z,ZZ,RS,2RS,2RD,2RK series
-
60/Z,ZZ,RS,2RS,2RD,2RK series
-
63/Z,ZZ,RS,2RS,2RD,2RK series
Catalogue
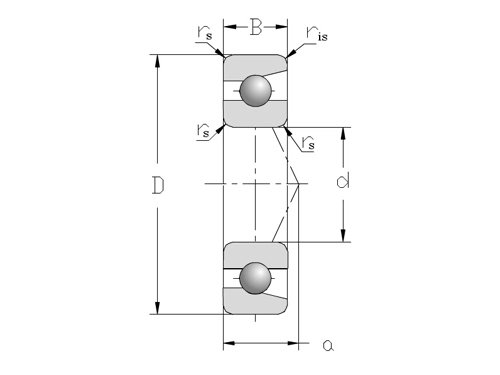
Angular contact ball bearings
High speed single train / Single row 78C series
Next
| 型号 |
主要尺寸(mm) |
| d |
D |
B |
rs min |
| 7805C |
25 |
37 |
7 |
0.3 |
7806C |
30 |
42 |
7 |
0.3 |
| 7807C |
35 |
47 |
7 |
0.3 |
7808C |
40 |
52 |
7 |
0.3 |
| 7809C |
45 |
58 |
7 |
0.3 |
7810C |
50 |
65 |
7 |
0.3 |
| 7811C |
55 |
72 |
9 |
0.3 |
7812C |
60 |
78 |
10 |
0.3 |
| 7813C |
65 |
85 |
10 |
0.6 |
7814C |
70 |
90 |
10 |
0.6 |
| 7815C |
75 |
95 |
10 |
0.6 |
7816C |
80 |
100 |
10 |
0.6 |
Inquire Now