Jiangsu Mechanical and Electrical Products Bearing Co., Ltd.

江苏省机电产品轴承有限公司

Jiangsu Mechanical and Electrical Products Bearing Co., Ltd.

江苏省机电产品轴承有限公司

ENG

中国人

Jiangsu Mechanical and Electrical Products Bearing Co., Ltd.

江苏省机电产品轴承有限公司

Model
Inner Diameter
Outer Diameter
Width

Catalogue

Catalogue

Tapered Roller Bearings

Single row metric tapered roller bearings / 313 series

Next
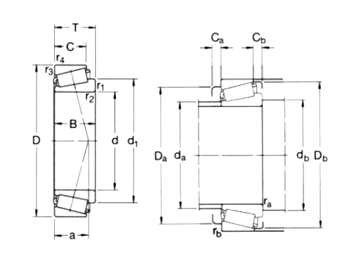
型号 尺寸(mm) 基本额定载荷(KN)
d1 D B dyc(Cr)
31305J2 25 62 18.25 38
31306J2/Q 30 72 20.75 55
31307J2/Q 35 80 22.75 71
31308J2/QCL7C 40 90 25.25 85
31309J2/QCL7C 45 100 27.25 106
31310J2/QCL7C 50 110 29.25 122
31311J2/QCL7C 55 120 31.5 140
31312J2/QCL7C 60 130 33.5 166
31313J2/QCL7C 65 140 36 190
31314J2/QCL7C 70 150 38 216
31315J2/QCL7C 75 160 40 240
31316J1/QCL7C 80 170 42.5 260

page

1

Inquire Now