Jiangsu Mechanical and Electrical Products Bearing Co., Ltd.

江苏省机电产品轴承有限公司

Jiangsu Mechanical and Electrical Products Bearing Co., Ltd.

江苏省机电产品轴承有限公司

ENG

中国人

Jiangsu Mechanical and Electrical Products Bearing Co., Ltd.

江苏省机电产品轴承有限公司

Model
Inner Diameter
Outer Diameter
Width

Catalogue

Catalogue

Spherical bearing

Thrust spherical bearing / GX...S series

Next
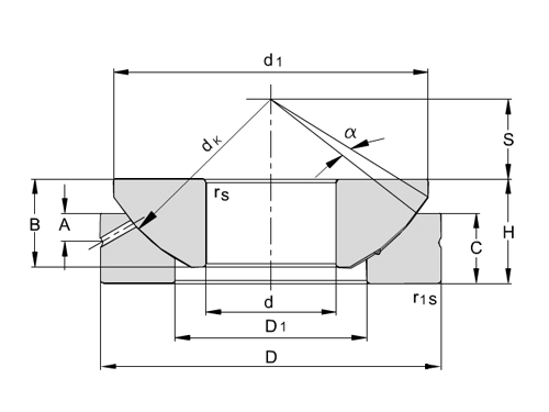
型号 主要尺寸(mm)
d D B C
GX10S 10 30 7.5 7
GX12S 12 35 9.5 9.3
GX15S 15 42 11 10.8
GX17S 17 47 11.8 11.2
GX20S 20 55 14.5 13.8
GX25S 25 62 16.5 16.7
GX30S 30 75 19 19
GX35S 35 90 22 20.7
GX40S 40 105 27 21.5
GX45S 45 120 31 25.5
GX50S 50 130 33 30.5
GX60S 60 150 37 34

page

1

Inquire Now