Jiangsu Mechanical and Electrical Products Bearing Co., Ltd.

江苏省机电产品轴承有限公司

Jiangsu Mechanical and Electrical Products Bearing Co., Ltd.

江苏省机电产品轴承有限公司

ENG

中国人

Jiangsu Mechanical and Electrical Products Bearing Co., Ltd.

江苏省机电产品轴承有限公司

Model
Inner Diameter
Outer Diameter
Width

Catalogue

Catalogue

Automotive bearings

clutch bearing / Sealed corner contact assembly

Next
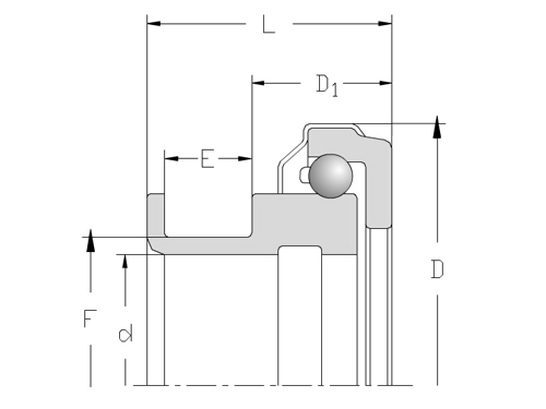
型号 主要尺寸(mm)
d D L E/D1
CC1705C 34.925 71.37 32.25 16.76/12.8

page

1

Inquire Now